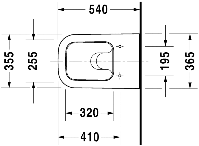
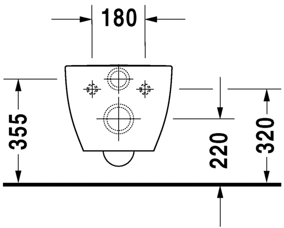
Závěsný klozet DURAVIT Happy D.2 Design by sieger design, splachování se skrytým upevněním ze sanitární keramiky pro 4,5 litru splachovací vody, třída EWL 1. Z hygienických důvodů s uzavřeným splachovacím okrajem a keramickým rozdělovačem splachovací vody. Obdélníkový tvar mísy se zaoblenými rohy v přední části. Světlá výška 65/105 mm. Hladký uzavřený tvar na vnější straně. Včetně upevnění Durafix. Dimensions(WxDxH)360x540x335mm. Bílá barva. Obj. č. 2221090000