Popis
Klíčové vlastnosti
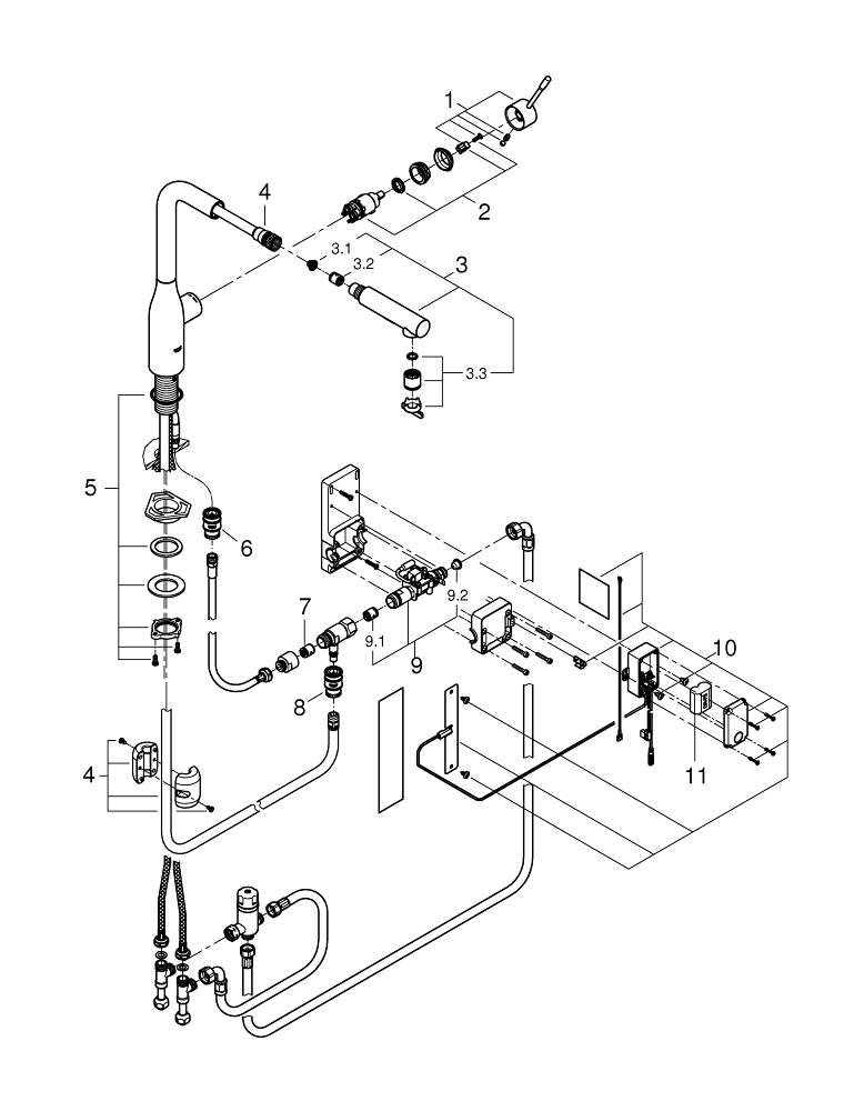
L-výpusť
Ovládání nohou: aktivace vody prostřednictvím kontaktu se senzorem
napájení z 6V lithiové baterie, typ CR-P2
certifikace CE
elektromagnetický ventil
směšovací ventil s pevnou hodnotou
automatická bezpečnostní zarážka po 60 sekundách (nastavení z výroby)
stupeň krytí IP 44
28mm keramická kartuše GROHE SilkMove
vyrovnávač průtoku
vytahovací dvojitá sprcha - přepíná mezi běžným proudem a tryskou
přepínání: laminární tryska/SpeedClean sprchový proud
automatický návrat k laminární trysce
otočná trubková výpusť
otočný úhel 360°
ochrana proti zpětnému toku vody
flexibilní připojovací hadice
rychlomontážní systém