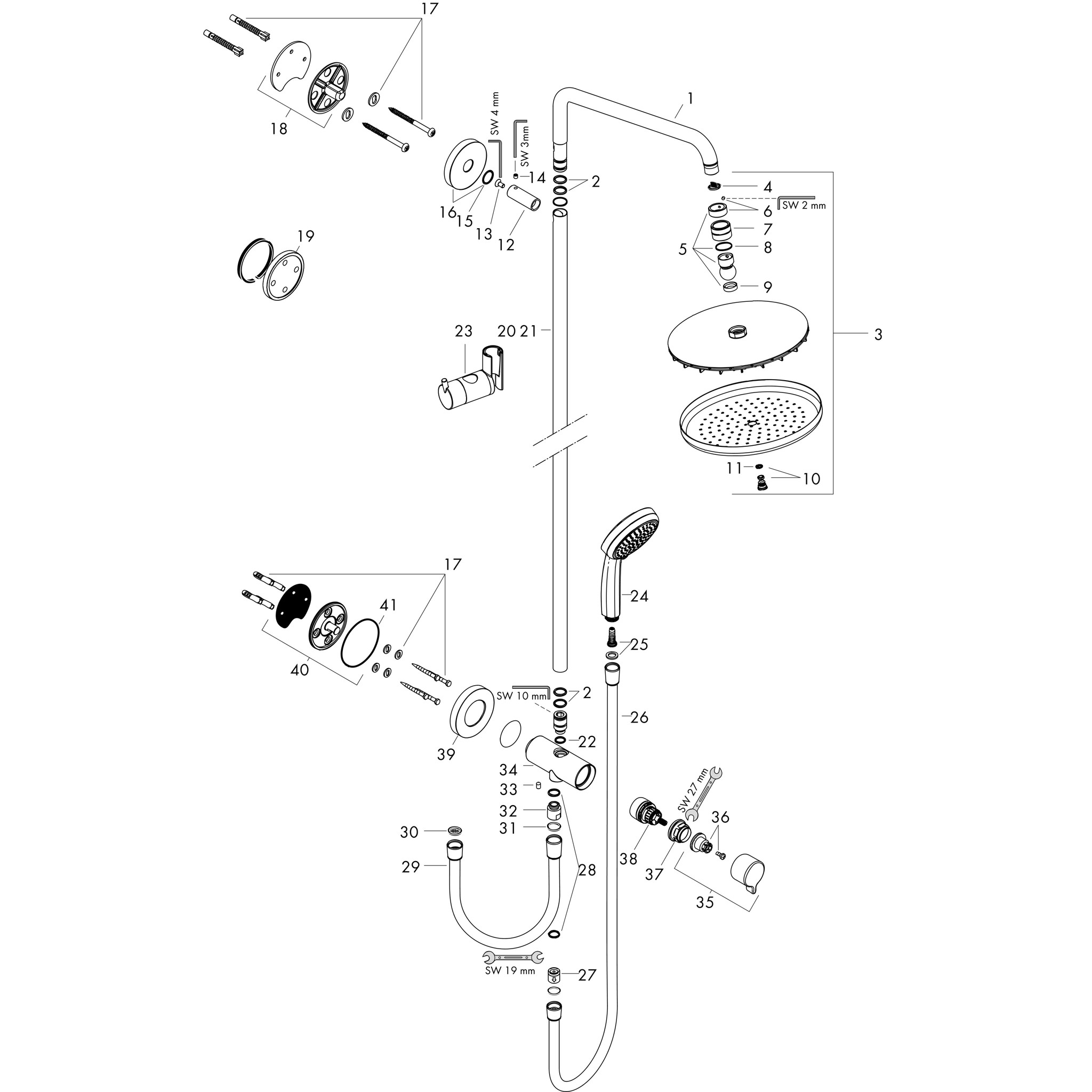
se skládá z: horní sprcha, ruční sprcha, sprchová hadice, držák ruční sprchy, sprchová tyč. Horní sprcha Croma 220 Velikost sprchové hlavice horní sprchy: 220 mm Typ sprchové hlavice: RainAir Povrchová úprava sprchového kotouče: chrom Typ proudu ruční sprchy: Rain, masážní proud, šamponový proud, normální proud Průtok pro ruční sprchu při 3 barech: 14,5 l/min Maximální průtok pro sprchovou trubku při tlaku 3 bary: 18,5 l/min Minimální průtokový tlak: 1,7 bar min. Provozní tlak: 1,7 bar max. provozní tlak: 6 bar Kulový kloub: Horní sprcha nastavitelná v úhlu Typ montáže: Povrchová montáž Stoupací potrubí lze výškově zkrátit na požadovanou délku Průměr sprchové tyče: 22 mm Výškově nastavitelný držák ruční sprchy Délka sprchového ramene: 400 mm Otočné sprchové rameno: otočné sprchové rameno Připojení vody: otočné ramínko s otočným ramínkem: Sprchová hadice Isiflex 80 cm Velikost připojení: DN15 Připojovací závit: G ½ Vhodné pro průtokové ohřívače vody Průtok proudu RainAir při tlaku 3 bar: 14 l/min