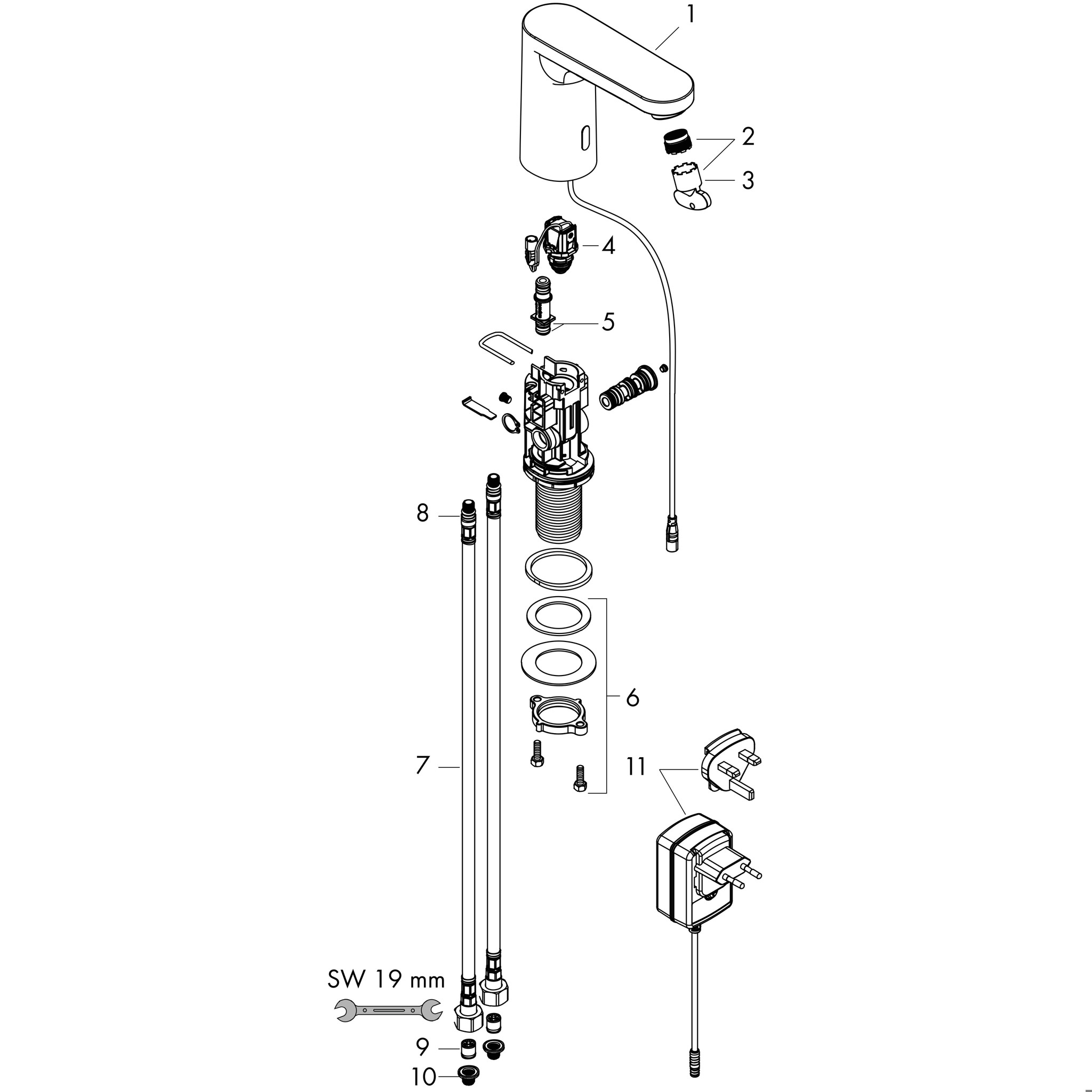
ComfortZone 100 Projekce: 112 mm Typ trysky: normální tryska otočná tryska Maximální průtok při 3 barech: 5 l/min Možnost přednastavení teploty s izolovaným přívodem vody - vodní cesty bez kontaktu s niklem a olovem Zpětná klapka Infračervená bezkontaktní elektronika Automatické přizpůsobení infračerveného senzorového systému okolnímu prostředí 230 V AC ± 10 %/ 50- 60 Hz Nastavitelná doba provozu Doba chodu: 10 s, 20 s, 30 s Možnost aktivace hygienického splachování (automatický průtok vody) Frekvence hygienického proplachování: 24 h, 48 h, 72 h Doba hygienického proplachování: 10 s, 20 s, 30 s Lze aktivovat kontinuální proplachování (jednorázový cyklus vody po dobu 200 s, vhodné pro termickou dezinfekci) Funkce čištění: ruční zastavení vody pro čištění umyvadla Typ připojení: G ⅜ připojovací hadice Sítka na zachycení nečistot v připojovacích hadicích Frekvence hygienického splachování a doba splachování hygienického splachování jsou vzájemně závislé (24 h - 10 s, 48 h - 20 s, 72 h - 30 s).